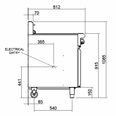
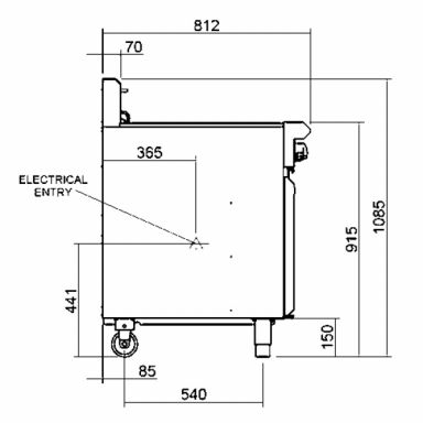
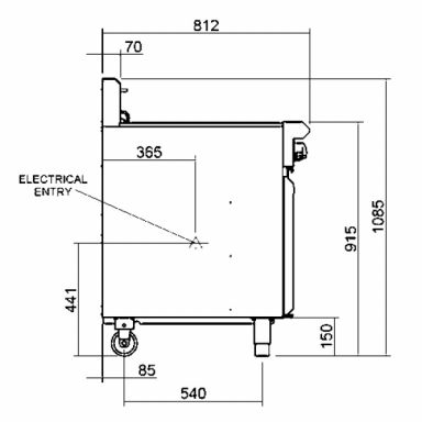
Blue Seal Evolution Series E43 Vee Ray Single Pan Electric Fryers 450mm
- 450mm single pan electric fryer
- 27 litre oil capacity
- 31kg/hr production rate
- 3 x 5.66kW stainless steel heating elements
- Mechanical controls
- Easy clean, installation and service
- Supplied with 2 standard baskets
Overall Construction
- Stainless steel pan
- Bull nose welded 1.5mm 304 stainless steel
- Splashback 1.2mm 304 stainless steel
- Side panels 1.2mm 304 stainless steel
- Double skin door with 0.9mm 304 stainless exterior
- Vitreous enamelled control panel
- Hinge out counterbalanced heating elements
- 32mm (1 1 /4”) drain valve
- 63mm dia. heavy-duty 1.2mm 304 stainless steel adjustable legs at front and two rollers at rear
- 2 baskets and stainless steel lid supplied standard
Controls
- Mechanical thermostat
- Thermostat range 60-200°C
- Large easy use control with easy view scale
- Fail-safe over-temperature safety cut-out
- Element tilt switch for heating cut-out on element lift
- Indicator lights for power and heating
Cleaning and Servicing
- Open stainless steel pan with hinge out elements for easy clean
- Easy clean basket support bar
- 32mm (1 1 /4”) drain valve for effective draining
- Easy clean stainless steel exterior
- Access to all controls from front of unit
No specifications available.
No downloads available.
We deliver Monday to Friday during regular business hours.
After your order has been shipped from our suppliers warehouses,
delivery times will be approximately:
- 3-5 business days for metro, Brisbane, Sydney and Melbourne
- 3-7 business days for Gold Coast, Sunshine Coast and Newcastle, Adelaide
- 5-10 business days for Perth
- 7-14 business days for all other regions
Delivery dates are not guaranteed and subject to courier availability. Please allow for up to 5 additional business days.
Standard deliveries are Kerbside Drop-off (Door-to-Door) only (not delivered inside your premises)
- Standard deliveries are completed by a single driver to keep costs down
- Standard deliveries do not allow delivery date/time reservations
- If you require In-Store Delivery (Premium Delivery Service), plus any additional services such as removal of old appliances, removal of packaging or a precise day/time for delivery,
Leave a memo when check out so that we can arrange this to private courier.
Premium deliveries are In-Store (delivered inside your premises)
- Premium Deliveries are completed by two-men teams and provide some Additional Premium Delivery services
- Premium Deliveries do not include shopping centres, without a special quote
- Premium Deliveries do not include flights of stairs, without a special quote
- Premium Deliveries do not lifting heavy equipment over counters, without a special quote
- If you require In-Store Delivery (Premium Delivery Service), plus any additional services such as removal of old appliances, removal of packaging or a precise day/time for delivery,
Leave a memo when check out so that we can arrange this to private courier.
Once you’ve completed your purchase, our system will process your order and send you an email to confirm we have received your information. In the unlikely event that we have to change anything about your order, we'll be in touch asap.
Your tracking number will be sent a couple days after your order has been processed and you will be able to self-monitor your delivery on the courier's website or We’ll keep you update by SMS or email. If you need any assistance, you can always email us for support
We request all couriers to call you the day before delivery to arrange an approximate delivery window. We use private couriers for all deliveries including TNT, StarTrack, Cope Sensitive Freight, AirRoad and others, depending on the items and your location.
If you require removal of old appliances, must be disconnected, and drained in order for couriers to collect and dispose of them.
Large Item Deliveries
- Measure: Use a Measuring Tape
- Access
- Purchase
Catering Sale partners exclusively with Australia’s only dedicated hospitality equipment funder, Silver Chef. For 30 years Silver Chef have helped more than 30,000 customers – from start-up cafes to large restaurants and hotels – realize their business dreams.
|
SilverChef’s Rent-Try-Buy® solution is a 12-month agreement that lets you try before you buy and gives you five flexible options to choose from throughout the term of your contract. ✔ Upgrade equipment at any time After your 12-month agreement ends, choose your option: ✔ Continue renting and the purchase price will continue to drop |
|
Blue Seal Evolution Series E43 Vee Ray Single Pan Electric Fryers 450mm
- 450mm single pan electric fryer
- 27 litre oil capacity
- 31kg/hr production rate
- 3 x 5.66kW stainless steel heating elements
- Mechanical controls
- Easy clean, installation and service
- Supplied with 2 standard baskets
Overall Construction
- Stainless steel pan
- Bull nose welded 1.5mm 304 stainless steel
- Splashback 1.2mm 304 stainless steel
- Side panels 1.2mm 304 stainless steel
- Double skin door with 0.9mm 304 stainless exterior
- Vitreous enamelled control panel
- Hinge out counterbalanced heating elements
- 32mm (1 1 /4”) drain valve
- 63mm dia. heavy-duty 1.2mm 304 stainless steel adjustable legs at front and two rollers at rear
- 2 baskets and stainless steel lid supplied standard
Controls
- Mechanical thermostat
- Thermostat range 60-200°C
- Large easy use control with easy view scale
- Fail-safe over-temperature safety cut-out
- Element tilt switch for heating cut-out on element lift
- Indicator lights for power and heating
Cleaning and Servicing
- Open stainless steel pan with hinge out elements for easy clean
- Easy clean basket support bar
- 32mm (1 1 /4”) drain valve for effective draining
- Easy clean stainless steel exterior
- Access to all controls from front of unit
No specifications available.
No downloads available.
We deliver Monday to Friday during regular business hours.
After your order has been shipped from our suppliers warehouses,
delivery times will be approximately:
- 3-5 business days for metro, Brisbane, Sydney and Melbourne
- 3-7 business days for Gold Coast, Sunshine Coast and Newcastle, Adelaide
- 5-10 business days for Perth
- 7-14 business days for all other regions
Delivery dates are not guaranteed and subject to courier availability. Please allow for up to 5 additional business days.
Standard deliveries are Kerbside Drop-off (Door-to-Door) only (not delivered inside your premises)
- Standard deliveries are completed by a single driver to keep costs down
- Standard deliveries do not allow delivery date/time reservations
- If you require In-Store Delivery (Premium Delivery Service), plus any additional services such as removal of old appliances, removal of packaging or a precise day/time for delivery,
Leave a memo when check out so that we can arrange this to private courier.
Premium deliveries are In-Store (delivered inside your premises)
- Premium Deliveries are completed by two-men teams and provide some Additional Premium Delivery services
- Premium Deliveries do not include shopping centres, without a special quote
- Premium Deliveries do not include flights of stairs, without a special quote
- Premium Deliveries do not lifting heavy equipment over counters, without a special quote
- If you require In-Store Delivery (Premium Delivery Service), plus any additional services such as removal of old appliances, removal of packaging or a precise day/time for delivery,
Leave a memo when check out so that we can arrange this to private courier.
Once you’ve completed your purchase, our system will process your order and send you an email to confirm we have received your information. In the unlikely event that we have to change anything about your order, we'll be in touch asap.
Your tracking number will be sent a couple days after your order has been processed and you will be able to self-monitor your delivery on the courier's website or We’ll keep you update by SMS or email. If you need any assistance, you can always email us for support
We request all couriers to call you the day before delivery to arrange an approximate delivery window. We use private couriers for all deliveries including TNT, StarTrack, Cope Sensitive Freight, AirRoad and others, depending on the items and your location.
If you require removal of old appliances, must be disconnected, and drained in order for couriers to collect and dispose of them.
Large Item Deliveries
- Measure: Use a Measuring Tape
- Access
- Purchase
Catering Sale partners exclusively with Australia’s only dedicated hospitality equipment funder, Silver Chef. For 30 years Silver Chef have helped more than 30,000 customers – from start-up cafes to large restaurants and hotels – realize their business dreams.
|
SilverChef’s Rent-Try-Buy® solution is a 12-month agreement that lets you try before you buy and gives you five flexible options to choose from throughout the term of your contract. ✔ Upgrade equipment at any time After your 12-month agreement ends, choose your option: ✔ Continue renting and the purchase price will continue to drop |
|








